Арт. 71111009
19 390.00
Выбрать
Задать вопрос
Срок службы оборудования – 10 лет с даты производства.
Циркуляционный насос MASTER S предназначен для обеспечения циркуляции воды или гликольсодержащих жидкостей в отопительных системах, системах отопления «теплый пол», системах кондиционирования воздуха и охлаждения. Системами охлаждения называются системы, в которых температура перекачиваемой жидкости ниже температуры окружающей среды.
Подробнее
Техническая информация
Описание
Высокоэффективные циркуляционный насос MASTER S c энергоэффективностью класса «А» (EEI≤ 0,21) предназначеные для систем отопления. Насос снабжен режимом автоматической работы AUTO, а так же режимами поддержания пропорционального и постоянного давлений. Кроме того, доступно управление и диспетчеризация по сигналу ШИМ.
Характеристики
| Цена | 19 390.00 |
| Диапазон температур перекачиваемой жидкости, °C | -30 .. +110 |
| Диапазон температуры окружающей среды, °C | 0 / 70 |
| Класс изоляции (IEC 85) | H |
| Класс электропотребления (EEI) | ≤ 0,21 |
| Макс. рабочее давление, бар | 10 |
| Максимально допустимое давление на входе, бар | 10 |
| Максимальный напор, м | 8 |
| Максимальный расход, м³/ч | 3,6 |
| Материал корпуса насоса | Чугун с нанокерамическим покрытием |
| Материал рабочего колеса | Композит |
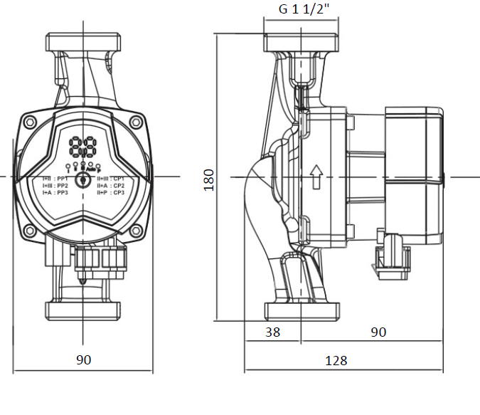
| Модель | MASTER S 25-8 |
| Монтажная длина, мм | 180 |
| Номинальное напряжение, В | 1 x 230 |
| Номинальный ток, А | 0,05 / 0,55 |
| Размер всасывающего патрубка | G 1 1/2" |
| Размер напорного патрубка | G 1 1/2" |
| Сертифицирован для питьевой воды | Да |
| Степень защиты (IEC 34-5) | IP44 |
| Уровень шума, дБ | ≤45 |
| Частота питающей сети, Гц | 50 |
Сопутствующие товары
|
Резьбовое трубное соединение (комплект) G 1 ½”
2390 р.
Заказать
|
Мастер Штекер
990 р.
Заказать
|
| Артикул |
55321002
|
55311001
|
| Тип изделия |
Аксессуар
|
Аксессуар
|
| Область применения |
Монтаж насоса
|
Электроподключение насоса
|
FAQ
Где я могу найти сертификаты на продукцию?
Все сертификаты, декларации и прочие необходимы документы находятся на нашем сайте в разделе "О компании" - "Документы"
Документы
Брошюра Shinhoo
7.1 Мб
